S型拉力傳感器
BCS-M1型 微型拉力傳感器
特點及用途:
高精度、高穩定性、輸出對稱性好、拉壓兩用。
適用于電子皮帶秤、料倉秤、配料秤、機電結合稱、吊鉤秤及其它力值的測量
與控制及計算機控制配料系統等。
技術參數:
|
量程 |
1、2、5、10、20、50、100 kg |
輸入阻抗 |
385 ± 35 Ω |
|
靈敏度 |
2.0 ± 0.1 mv/V |
輸出阻抗 |
350 ± 3 Ω |
|
綜合精度 |
±0.05 %F·S |
絕緣阻抗 |
≥ 2000 MΩ |
|
蠕變 |
±0.03 %F·S/30min |
激勵電壓 |
5 ~ 12 VDC |
|
非線性 |
±0.03 %F·S |
工作溫度范圍 |
-20 ~ ﹢70℃ |
|
滯后誤差 |
±0.03 %F·S |
允許過負荷 |
120 %F·S |
|
重復性誤差 |
±0.03 %F·S |
密封等級 |
IP65 |
|
零點溫度系數 |
±0.03 %F·S/10℃ |
材質 |
合金鋼 |
|
輸出溫度系數 |
±0.03 %F·S/10℃ |
線纜 |
φ3 × 2000 mm |
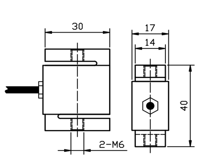
產品尺寸:
- 下一個:BCS-M2





