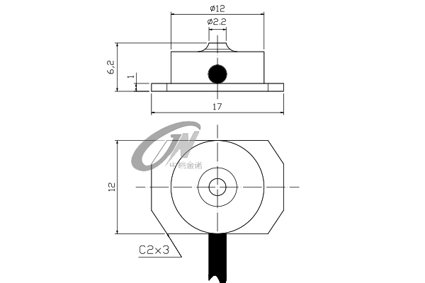
膜盒式稱重測力傳感器
BCM-MD2型 超微型測力傳感器
特點及用途:
尺寸小、低高度、全密封。
適用于空間有限的場合使用。
技術參數:
|
量程 |
20、30、50kg |
輸入阻抗 |
350 ± 5 Ω |
|
靈敏度 |
1.5 ± 0.2 mv/V |
輸出阻抗 |
350 ± 3 Ω |
|
綜合精度 |
0.5 %F·S |
絕緣阻抗 |
≥ 2000 MΩ |
|
蠕變 |
± 0.3 %F·S/30min |
激勵電壓 |
5 ~ 12 VDC |
|
非線性 |
± 0.3%F·S |
工作溫度范圍 |
-20 ~ ﹢70℃ |
|
滯后誤差 |
± 0.3%F·S |
允許過負荷 |
120 %F·S |
|
重復性誤差 |
± 0.3%F·S |
防護等級 |
IP67 |
|
零點溫度系數 |
± 0.2 %F·S/10℃ |
材質 |
不銹鋼 |
|
輸出溫度系數 |
± 0.2 %F·S/10℃ |
線纜 |
φ2.2 x 1200 mm |
產品尺寸:





