股票配资在线-杠杆投资什么意思-【东方资本】,线上杠杆炒股中航.资本如何申请

今天是2025年9月4日 星期四,歡迎光臨本站 

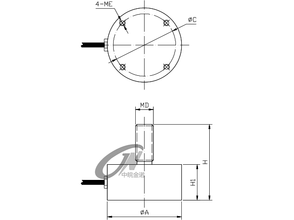
膜盒式稱重測力傳感器

BCM-3

文字:[大][中][小] 手機頁面二維碼 2021-12-3     瀏覽次數:    

BCM-3型 單端拉桿型測力傳感器

特點及用途:

尺寸小、低高度、全密封。

適用于空間有限的場合使用,此款多用于壓用。


技術參數:

量程

102050100200500 kg

輸入阻抗

735 ± 35 Ω

靈敏度

15 ± 01 mv/V

輸出阻抗

700 ±Ω

綜合精度

01 %F·S

絕緣阻抗

2000 MΩ

蠕變

±005 %F·S/30min

激勵電壓

5 12 VDC

非線性

±005 %F·S

工作溫度范圍

-20 ~ ﹢70

滯后誤差

±005 %F·S

允許過負荷

120 %F·S

重復性誤差

±005 %F·S

密封等級

IP67

零點溫度系數

±003 %F·S/10

材質

合金鋼

輸出溫度系數

±003 %F·S/10

線纜

Φ5 x 2000mm


產品尺寸:

 


量程

ΦA

H

H1

MD

ΦC

ME

0 200 kg

38

40

20

M8

32

M3

300 500 kg

50

51

27

M12

42

M5

返回上一步
打印此頁
173-5529-0970
瀏覽手機站