稱重模塊
BCMK-L型 懸臂式稱重模塊
特點及用途:
高精度、高可靠性、抗偏載力。
適用于電子地中衡、料倉秤、軌道衡、平臺秤、汽車衡等物量測量與控制等場所。
技術參數:
|
量程 |
50、100、200、500kg 1t、2t、3t、5t |
輸入阻抗 |
385 ± 35 Ω |
|
靈敏度 |
2.0 ± 0.1 mv/V |
輸出阻抗 |
300 ± 3 Ω |
|
綜合精度 |
0.05 %F·S |
絕緣阻抗 |
≥ 2000 MΩ |
|
蠕變 |
±0.03 %F·S/30min |
激勵電壓 |
5 ~ 12 VDC |
|
非線性 |
±0.03 %F·S |
工作溫度范圍 |
-20 ~ ﹢70℃ |
|
滯后誤差 |
±0.03 %F·S |
允許過負荷 |
120 %F·S |
|
重復性誤差 |
±0.03 %F·S |
密封等級 |
IP66 |
|
零點溫度系數 |
±0.02 %F·S/10℃ |
材質 |
合金鋼 |
|
輸出溫度系數 |
±0.02 %F·S/10℃ |
線纜 |
φ5 × 2000 mm |
|
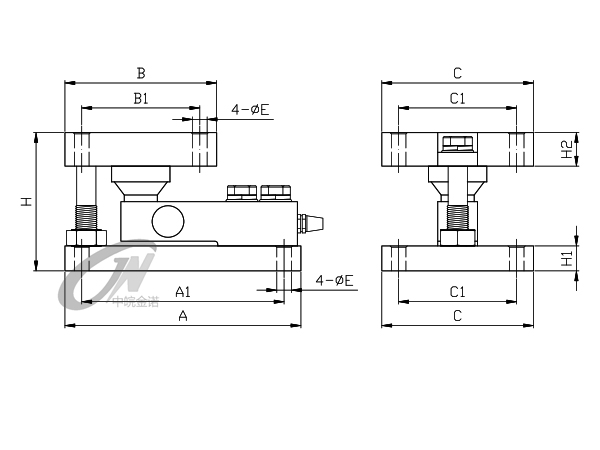
量程(t) |
A |
A1 |
B |
B1 |
C |
C1 |
H |
H1 |
H2 |
ΦE |
|
0.2 ~ 2 |
178 |
153 |
115 |
90 |
115 |
90 |
110 |
19 |
24 |
11 |
|
|
260 |
220 |
175 |
135 |
150 |
115 |
145 |
35 |
30 |
18 |
|
7.5 ~ 10 |
300 |
250 |
185 |
135 |
155 |
115 |
160 |
40 |
35 |
22 BCMK-LBCMK-L |
- 上一個:BCMK-U





