股票配资在线-杠杆投资什么意思-【东方资本】,线上杠杆炒股中航.资本如何申请

今天是2025年8月29日 星期五,歡迎光臨本站 

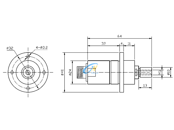
輪組式張力傳感器

BCHL-M2

文字:[大][中][小] 手機頁面二維碼 2021/12/3     瀏覽次數:    

BCHL-M2型 微型張力傳感器

特點及用途:

體積小,安裝方便。

大量應用在紡織、機械行業的細線、布帶張力(拉力)監測等控制系統中。


技術參數:


量程

5102050100300 N

輸入阻抗

385 ± 35 Ω

靈敏度

1.5 ± 02 mv/V

輸出阻抗

350 ±Ω

綜合精度

0.2 %F·S

絕緣阻抗

2000 MΩ

蠕變

±01 %F·S/30min

激勵電壓

5 12 VDC

非線性

±0.1 %F·S

工作溫度范圍

-20 ~ ﹢70

滯后誤差

±0.1 %F·S

允許過負荷

120 %F·S

重復性誤差

±0.1 %F·S

密封等級

IP66

零點溫度系數

±005 %F·S/10

材質

鋁合金

輸出溫度系數

±005 %F·S/10

線纜

φ5 × 2000 mm

產品尺寸:



返回上一步
打印此頁
173-5529-0970
瀏覽手機站