輪組式張力傳感器
BCHL-L2型 單滑輪張力傳感器
特點及用途:
安裝方便、可加軸承、可內置變送器。
大量應用在紡織、機械行業的細線、布帶張力(拉力)監測等控制系統中。
技術參數:
|
量程 |
10、20、50、100、200、500 N 1000、1500、2000 N |
輸入阻抗 |
385 ± 35 Ω |
|
靈敏度 |
1.5 ± 0.1 mv/V |
輸出阻抗 |
350 ± 3 Ω |
|
綜合精度 |
0.05 %F·S |
絕緣阻抗 |
≥ 2000 MΩ |
|
蠕變 |
±0.03 %F·S/30min |
激勵電壓 |
5 ~ 12 VDC |
|
非線性 |
±0.03 %F·S |
工作溫度范圍 |
-20 ~ ﹢70℃ |
|
滯后誤差 |
±0.03 %F·S |
允許過負荷 |
120 %F·S |
|
重復性誤差 |
±0.03 %F·S |
密封等級 |
IP66 |
|
零點溫度系數 |
±0.02 %F·S/10℃ |
材質 |
不銹鋼 |
|
輸出溫度系數 |
±0.02 %F·S/10℃ |
線纜 |
φ5 × 2000 mm |
|
擴展 |
可內置變送器,輸出模擬信號0-5V,4-20mA或者數字接口RS485/RS232等 |
||
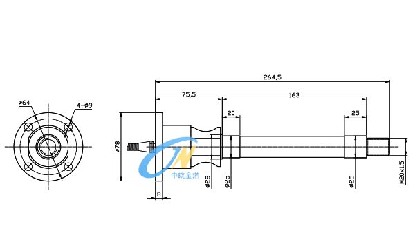
產品尺寸:






