股票配资在线-杠杆投资什么意思-【东方资本】,线上杠杆炒股中航.资本如何申请

今天是2025年8月29日 星期五,歡迎光臨本站 

靜態扭矩傳感器

BCNT-F

文字:[大][中][小] 手機頁面二維碼 2021/12/3     瀏覽次數:    

BCNT-F型 雙法蘭靜態扭矩傳感器


特點及用途:

精度、高穩定性、抗干擾。

適用于適用于靜態、非連續旋轉的扭矩力值測量。


技術參數:

量程

20050010002000 Nm

50001000020000 Nm

輸入阻抗

735 ± 35 Ω

靈敏度

1.5 ± 01 mv/V

輸出阻抗

700 ±Ω

綜合精度

0.1 %F·S

絕緣阻抗

2000 MΩ

蠕變

±0.05 %F·S/30min

激勵電壓

5 12 VDC

非線性

±0.05 %F·S

工作溫度范圍

-20 ~ ﹢70

滯后誤差

±0.05 %F·S

允許過負荷

120 %F·S

重復性誤差

±0.05%F·S

密封等級

IP66

零點溫度系數

±002 %F·S/10

材質

合金鋼

輸出溫度系數

±002 %F·S/10

線纜

φ5 × 2000 mm


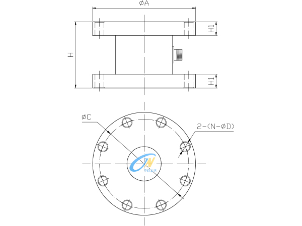
產品尺寸:



量程

A

H

H1

C

N

D

5200 Nm

59

61

10

45

4

6.5

300 1000 Nm

98

80

15

80

8

8.5

2000 5000 Nm

125

95

20

105

12

10.5

1000020000 Nm

255

124

32

210

8

20.5

返回上一步
打印此頁
173-5529-0970
瀏覽手機站